
產品名稱:Q41F-ZL鋁合金球閥
產品標簽:球閥,鋁合金球閥
更新時間:2019/6/5 10:17:00
上一個產品: Q14F/Q15F高平臺三通球閥
下一個產品:Q41F不銹鋼法蘭球閥
在線訂購:在線訂購
產品詳情
Q41F-ZL鋁合金球閥產品概述:
Q41F-ZL法蘭鋁合金球閥采用鋁合金殼體,不銹鋼球芯,具有材料配制合理結構緊湊,重量輕,體積小,使用方便等優點,設有限位和加鎖裝置,安全可靠。廣泛用于非腐蝕性液體輸送管道開閉控制(如油罐車,加油站等)調整:旋轉法蘭內密封座可調整板桿輕重和消除滲漏,當密封環與球面封部位有損傷時,要修正其密封面或者更換。
Q41F-ZL鋁合金球閥產品介紹
法蘭鋁合金球閥又名鋁合金槽車球閥,按外形結構可分為鋁直通槽車方球閥和鋁直通槽車圓球閥,采用鋁合金殼體,不銹鋼球芯,具有結構緊湊,重量輕,體積小,使用方便等優點,設有限位和加鎖裝置,安全可靠。廣泛用于非腐蝕性液體輸送管道開閉控制(如油罐車,加油站等)旋轉法蘭內密封座可調整板桿輕重和消除滲漏,當密封環與球面部位有損傷時,要修正其密封面或者更換。
Q41F-ZL鋁合金球閥產品特點
1、鋁合金球閥設有方法蘭連接跟圓法蘭連接,滿足不同管道需求。
2、采用鋁合金殼體,具有結構緊湊,重量輕,體積小。
3、結構緊湊,設有限位和加鎖裝置,旋轉法蘭內密封座可調整扳桿輕重和消除滲漏。
Q41F-ZL鋁合金球閥產品優點
1.流體阻力小,全通徑的球閥基本沒有流阻。
2.結構簡單、體積小、重量輕。
3.緊密可靠。它有兩個密封面,而且目前球閥的密封面材料廣泛使用各種氟塑料,密封性好,能實現完全密封。在真空系統中也已廣泛使用。
4.操作方便,開閉迅速,從全開到全關只要旋轉90°,便于遠距離的控制。
5.維護方便,球閥結構簡單,密封圈一般都是活動的,拆卸更換都比較方便。
6.在全開或全閉時,球體和閥座的密封面與介質隔離,介質通過時,不會引起閥門密封面的侵蝕。
7.由于球閥在啟閉過程中有擦拭性,所以可用于帶懸浮固體顆粒的介質中。
Q41F-ZL鋁合金球閥主要性能參數
| 產品名稱: | 法蘭鋁合金球閥 | 產品型號: | Q41F-ZL |
| 公稱通徑: | DN50~DN100 | 結構形式: | 球形 |
| 公稱壓力: | 0.4Mpa~0.6MPa | 連接方式: | 圓法蘭、方法蘭 |
| 適用溫度: | ≤60oC | 驅動方式: | 手動 |
| 閥體材質: | 鋁合金 | 制造標準: | 國標GB、德國DIN、美國API、ANSI、ISO |
| 適用介質: | 柴油、汽油、煤油 | 生產廠家: |
Q41F-ZL鋁合金球閥主要材料及參數
| 殼體材質 | 鋁合金 |
| 閥桿材質 | 45#鍍鉻 |
| 球心材質 | 不銹鋼304 |
| 手柄材質 | 碳鋼 |
| 密封圈材質 | 聚四氟乙烯 |
| 閥桿密封 | 耐油橡膠 |
| 公稱壓力 | 0.6MPa |
| 殼體試驗壓力 | 0.6MPa |
| 密封試驗壓力 | 0.45MPa |
| 適用介質 | 汽油、煤油、柴油 |
| 工作環境 | -30~+60℃ |
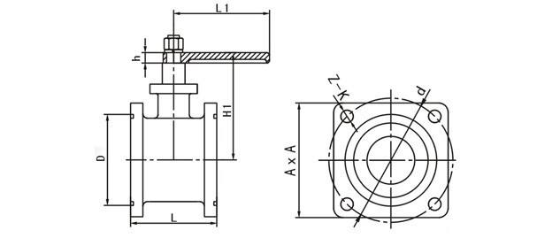
Q41F-ZL鋁合金球閥外形連接尺寸
| 公稱口徑 | 外形連接尺寸(mm) | ||||
| L | A | d | D | Z-K | |
| DN50 | 86 | 120 | 130 | 96 | 4-12 |
| DN65 | 115 | 140 | 155 | 120 | 4-14 |
| DN80 | 130 | 150 | 162 | 135 | 4-14 |
| DN100 | 155 | 180 | 195 | 166 | 4-14 |
![]() |
注:以上的產品介紹,參數,圖片,數據僅用于參考,如果需更準確的資料請咨詢公司技術服務熱線:18117208829





